倍電流型ゲルマラジオ
倍「電圧」をはじめ回路をいじっても、なかなか感度アップにつながらないことは以前に書いた通りです。では、ゲルマラジオ本体を2台作って、両方の電気信号を1本のイヤフォンに流し込んでみたらどうなのか?当然ながらアンテナも2本必要となります。この方式も多くの先人が試されているようで、「倍電流型回路」というのだそうです。ネットで検索したところ、あまり芳しくない、との記述も散見されます。物は試し、前回製作した「音質重視型ゲルマラジオ」をベースに、ミノムシクリップで簡単な回路を組んでみました。
<準備物>
・10mm×160mmフェライトバーを4本束ねたもの
・0.1mm×40本リッツ線
・ダイオード 1N270
・単連ポリバリコン

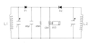
回路図 2個のダイオード極性を逆向きにします
ベースとなるゲルマラジオはアンテナ、アースなし、フェライトバー4本の極太バーアンテナのみで、NHK仙台第一および第二が室内窓際で受信可能です。第一は明瞭に、第二は何とか話の内容がわかる程度。新たなバーアンテナも同様にフェライトバー4本を束ねて作りました。ただ手持ち線材の関係で、細めのリッツ線をスペース巻きとしました。34回巻き。インダクタンス136μH。これにポリバリコン、ダイオードをリード線で連結し、コイル部を窓際に置いて、ベースラジオのトランス入力に接続してみました。ベース側のバリコンをNHK第一に合わせた上で、連結側のバリコンを慎重に回してみると・・・、一瞬何も聞こえなくなり、さらに回すと急に大きな音量で聞こえてきました。そのピークはかなり尖鋭で、分離もたいへん良好です。次に、ベース側をNHK第二に合わせ、再度、連結側バリコンを回すと、こちらも十分了解できる程度の音量にアップ。倍電流を実感することができました。


さて、ここで一つ疑問が。バリコンで同調を取っていることから、二つのコイルの電磁誘導による影響、もしくはフェライトコアそのものの影響により感度アップをもたらしたのでは? そこで、連結側のコイルの位置を変えながら、試行錯誤。その結果、ベースコイルの斜め5cm後方に設置したときにコイル誘導と思われる音量増加が、側方に3cm程離して設置したときにフェライトバーによる音量増加が確認できました。また、ベースコイルの中央部に垂直に設置した場合もわずかに音量増加がありました。電磁誘導による音量増加やフェライトコアによる音量増加は、倍電流によるものとさほど変わりません。ならば、単にコアを近くに置くだけで良いのでは?と思えなくもありませんが、設置位置が限定されてしまいます。倍電流方式は、コイル部(バーアンテナ)の位置を窓際とか、より電波の良好な場所に設置できるという利点があります。
では、コイル間の影響を受けずに、感度をアップさせるにはどの程度の間隔を開ければ良いのか?これも試したところ、10cmまではほとんど音量増加はありませんが、15cmあたりから明らかに増加し始め、なるべく離した方がよいという結果に。ただ20cm以上離してもさほど増加はありません。したがって、二つのラジオをセパレート式にして、一定程度離して接続するのがベターなのかもしれません。
以上の実験を経て、今回は、利便性を考慮して、ベースラジオの上部にもう一台の連結回路を組み、一体型の倍電流ゲルマラジオを作ってみました。

上下のバーアンテナは平行にして指向性をそろえる

上部

下部(ベース部)

1N 270 追加

基板部
二つのコイルの間隔は20cmとし、そのため、木材で櫓を組み、ホットボンドで固定しました。二つの高感度バーアンテナのおかけで、外部アンテナ、アースなし。選局にはちょっとしたコツが必要ですが、倍電流回路の恩恵を十分実感できます。この方式は試してみる価値あり、です。
